铜川市耀州区照金矿业有限公司矿井安全现状评价报告 - 评价项目信息公开 - 陕西秦安煤矿安全评价事务有限公司
|
OA入口
|
联系我们
|
首 页
关于我们
公司简介
企业文化
组织机构
资质证书
信息公开
综合信息公开
评价项目信息公开
收费标准
安全承诺
政策法规
政策法规
评价流程
流程图
安全评价准备资料
举报投诉
联系我们
联系方式
举报投诉
信息公开
综合信息公开
评价项目信息公开
收费标准
安全承诺
评价项目信息公开
您当前的位置:
首页
>
信息公开
>
评价项目信息公开
> 正文
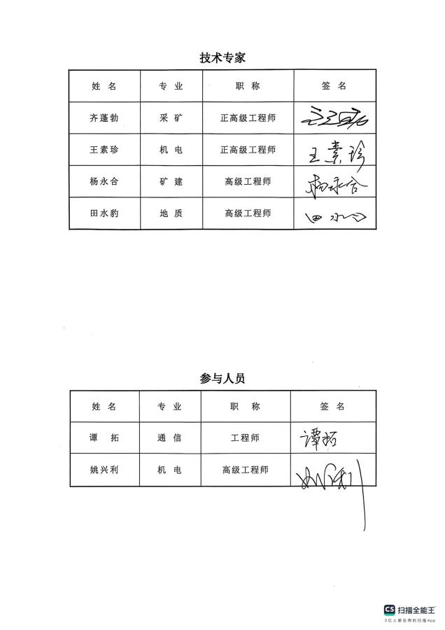
铜川市耀州区照金矿业有限公司矿井安全现状评价报告
发布时间:2025/11/24 11:29:48 浏览次数:次
上一篇:
黄陵县中瑞成煤业有限责任公司矿井安全现状评价报告
下一篇:
陕西未来能源化工有限公司金鸡滩煤矿二号副斜井建设项目安全验收评价报告
友情链接
国家矿山安全监察局陕西局
|
中国安全生产协会
|
中华人民共和国应急管理部
|
Copyright © 2008-2020 陕西秦安煤矿安全评价事务有限公司 All Rights Reserved.
陕ICP备11013623号-1
地址:西安市碑林区雁塔路北段66号中煤西安设计工程有限责任公司综合楼6楼 电话:029-87514801 网站设计:
西安千网