神木市大柳塔镇板定梁塔煤矿安全现状评价报告 - 评价项目信息公开 - 陕西秦安煤矿安全评价事务有限公司
|
OA入口
|
联系我们
|
首 页
关于我们
公司简介
企业文化
组织机构
资质证书
信息公开
综合信息公开
评价项目信息公开
收费标准
安全承诺
政策法规
政策法规
评价流程
流程图
安全评价准备资料
举报投诉
联系我们
联系方式
举报投诉
信息公开
综合信息公开
评价项目信息公开
收费标准
安全承诺
评价项目信息公开
您当前的位置:
首页
>
信息公开
>
评价项目信息公开
> 正文
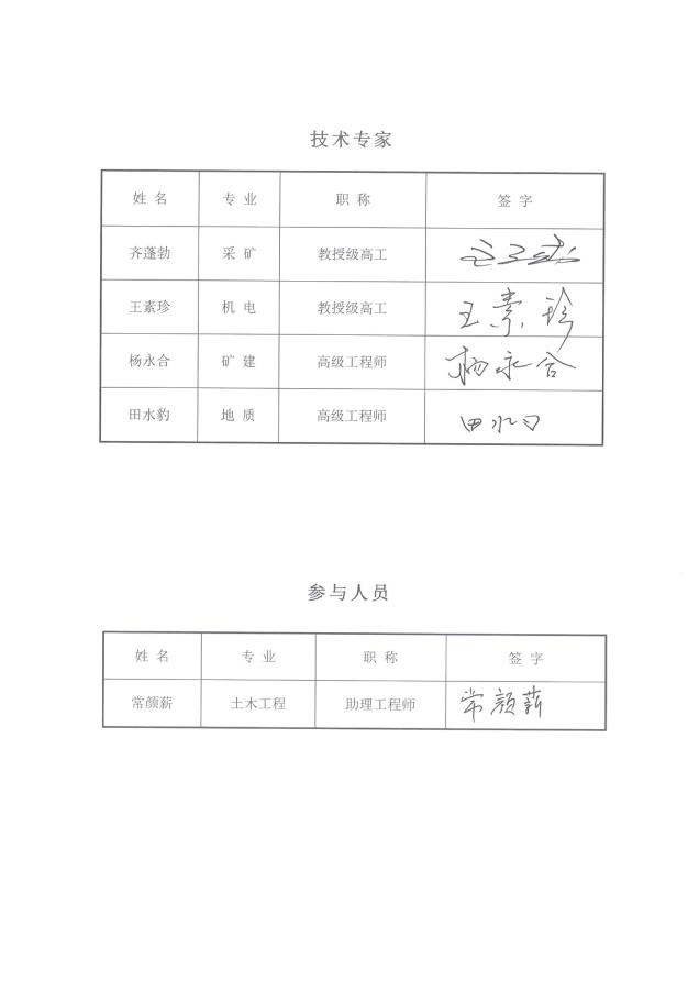
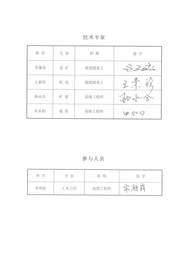
神木市大柳塔镇板定梁塔煤矿安全现状评价报告
发布时间:2026/1/13 11:07:46 浏览次数:次
上一篇:
榆林市上河煤矿现状评价报告
下一篇:
安山煤矿大墩沟风井及附属工程项目安全验收评价报告
友情链接
国家矿山安全监察局陕西局
|
中国安全生产协会
|
中华人民共和国应急管理部
|
Copyright © 2008-2020 陕西秦安煤矿安全评价事务有限公司 All Rights Reserved.
陕ICP备11013623号-1
地址:西安市碑林区雁塔路北段66号中煤西安设计工程有限责任公司综合楼6楼 电话:029-87514801 网站设计:
西安千网